产品中心
SWL蜗轮丝杆升降机
HK系列蜗轮丝杆升降机
JWM系列丝杆升降机
SJA系列螺旋升降机
SJB系列滚珠丝杆螺旋升降机
不锈钢、铝合金丝杆升降机
丝杆升降平台
S系列斜齿-蜗轮蜗杆减速机与无级变速机组合
K系列螺旋锥轮齿轮减速机与无级变速机组合
R系列斜齿轮硬齿轮面减速机与无级变速机组合
K系列斜齿-螺旋锥齿轮减速机
S系列斜齿-蜗轮蜗杆减速机
F系列平行轴斜齿轮减速机
RV双蜗轮减速器组合
电机
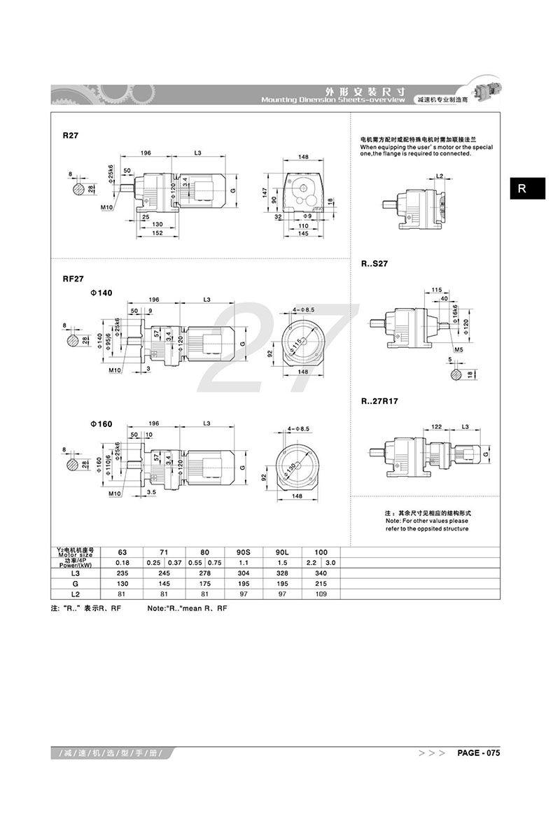
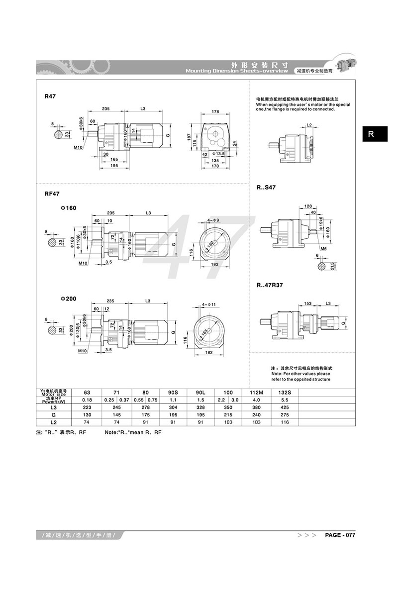
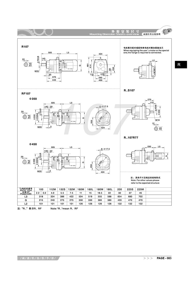
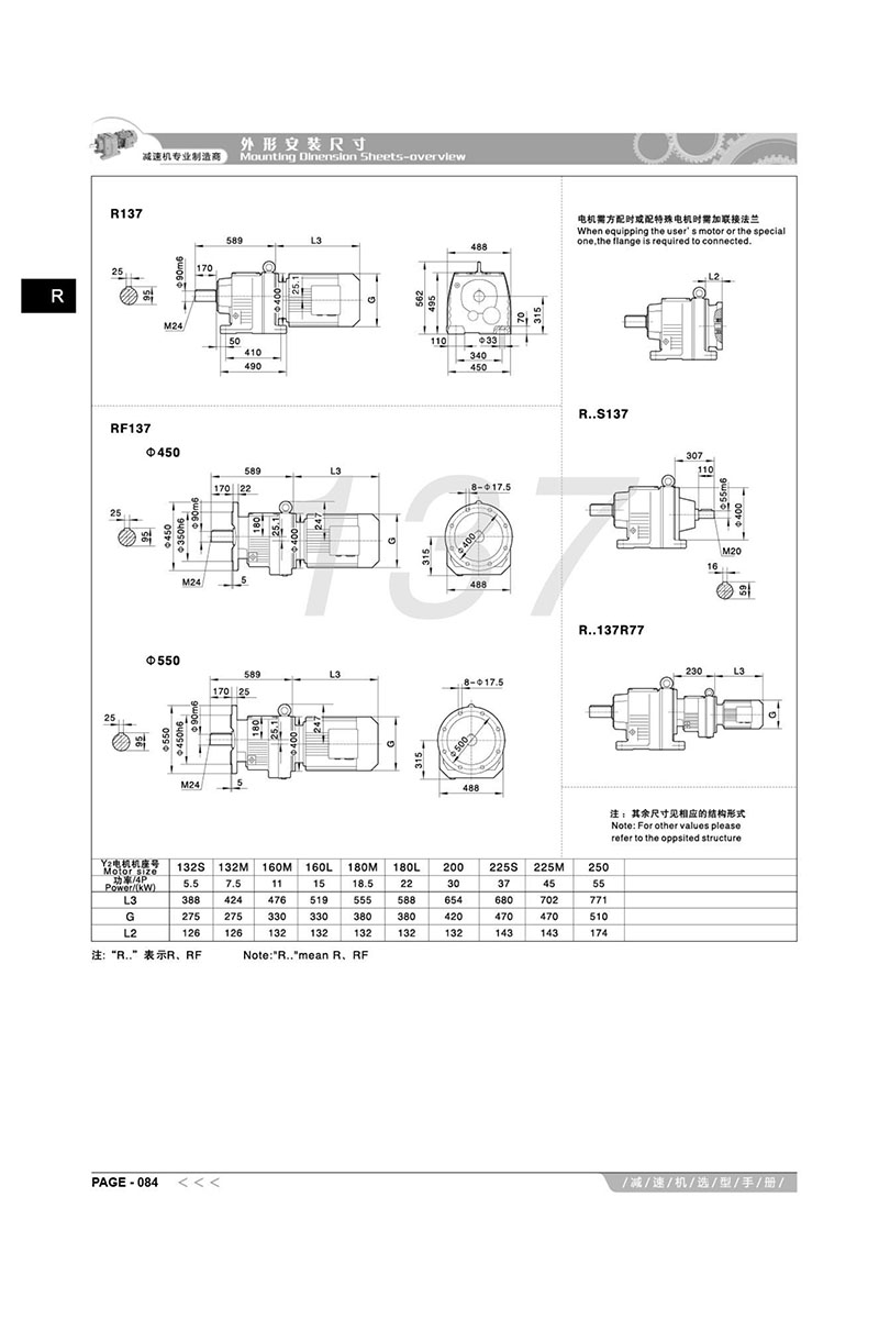
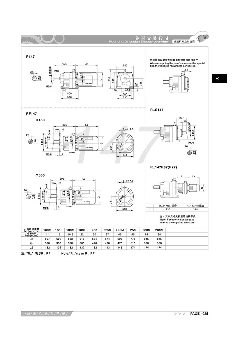
R系列斜齿轮硬齿面减速机
RV系列蜗轮蜗杆减速机
T系列螺旋锥换向齿轮减速机
HD系列螺旋锥齿轮换向器
ARA螺旋齿轮换向器
X.B系列摆线针轮减速机
WB系列微型摆线针轮减速机
MB系列行星摩擦式无极变速器
F系列平行轴斜齿轮与无极变速机组合
新闻动态
R系列斜齿轮硬齿轮面减速机与无级变速机组合
发布日期:2021-01-13 总浏览:
硬齿面圆柱齿轮减速器(简称减速器)用于输出轴垂直方向布置的传动装置。主要用于带式输送机及各种运输机械,也可用煤炭、冶金、化工、建材,轻工、石油等各种通用机械的传动机械中。
速器的第一级传动为格里森制弧齿锥齿轮,第二、第三级传动则为渐开线圆柱斜齿轮。
减速器的润滑:一般情况下,减速器的齿轮和轴承采用油池飞溅润滑,自然冷却。只有当减速器工作平衡温度超过规定值,或承载功率超过热功率PG1时,方采用循环润滑,或采用加冷却管的油池润滑。




























































上一篇:K系列螺旋锥轮齿轮减速机与无级变速机组合
下一篇:K系列斜齿-螺旋锥齿轮减速机


沪公网安备31012002006125号