产品中心
SWL蜗轮丝杆升降机
HK系列蜗轮丝杆升降机
JWM系列丝杆升降机
SJA系列螺旋升降机
SJB系列滚珠丝杆螺旋升降机
不锈钢、铝合金丝杆升降机
丝杆升降平台
S系列斜齿-蜗轮蜗杆减速机与无级变速机组合
K系列螺旋锥轮齿轮减速机与无级变速机组合
R系列斜齿轮硬齿轮面减速机与无级变速机组合
K系列斜齿-螺旋锥齿轮减速机
S系列斜齿-蜗轮蜗杆减速机
F系列平行轴斜齿轮减速机
RV双蜗轮减速器组合
电机
R系列斜齿轮硬齿面减速机
RV系列蜗轮蜗杆减速机
T系列螺旋锥换向齿轮减速机
HD系列螺旋锥齿轮换向器
ARA螺旋齿轮换向器
X.B系列摆线针轮减速机
WB系列微型摆线针轮减速机
MB系列行星摩擦式无极变速器
F系列平行轴斜齿轮与无极变速机组合
新闻动态
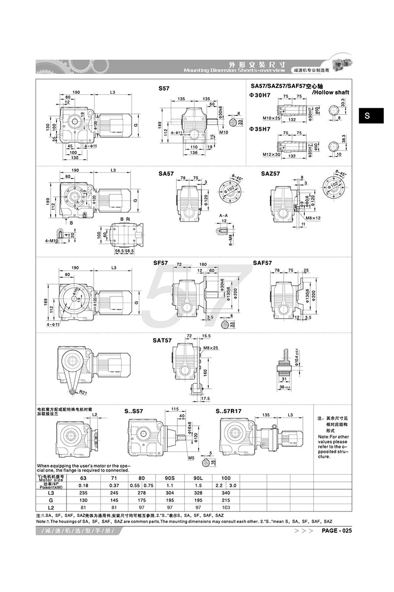
S系列斜齿-蜗轮蜗杆减速机
发布日期:2021-01-26 总浏览:
S系列斜齿-蜗轮蜗杆减速机与无级变速机组合是一种动力传达机构,利用齿轮的速度转换器,将电机(马达)的回转数减速到所要的回转数,并得到较大转矩的机构。在用于传递动力与运动的机构中,减速机的应用范围相当广泛。在各式机械的传动系统中都可以见到它的踪迹,从交通工具的船舶、汽车、机车,建筑用的重型机具,机械工业所用的加工机具及自动化生产设备,到日常生活中常见的家电,钟表等等。其应用从大动力的传输工作,到小负荷,精确的角度传输都可以见到减速机的应用,且在工业应用上,减速机具有减速及增加转矩功能。因此广泛应用在速度与扭矩的转换设备。
























上一篇:K系列斜齿-螺旋锥齿轮减速机
下一篇:F系列平行轴斜齿轮减速机


沪公网安备31012002006125号