产品中心
SWL蜗轮丝杆升降机
HK系列蜗轮丝杆升降机
JWM系列丝杆升降机
SJA系列螺旋升降机
SJB系列滚珠丝杆螺旋升降机
不锈钢、铝合金丝杆升降机
丝杆升降平台
S系列斜齿-蜗轮蜗杆减速机与无级变速机组合
K系列螺旋锥轮齿轮减速机与无级变速机组合
R系列斜齿轮硬齿轮面减速机与无级变速机组合
K系列斜齿-螺旋锥齿轮减速机
S系列斜齿-蜗轮蜗杆减速机
F系列平行轴斜齿轮减速机
RV双蜗轮减速器组合
电机
R系列斜齿轮硬齿面减速机
RV系列蜗轮蜗杆减速机
T系列螺旋锥换向齿轮减速机
HD系列螺旋锥齿轮换向器
ARA螺旋齿轮换向器
X.B系列摆线针轮减速机
WB系列微型摆线针轮减速机
MB系列行星摩擦式无极变速器
F系列平行轴斜齿轮与无极变速机组合
新闻动态
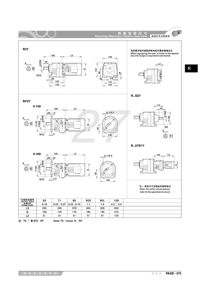
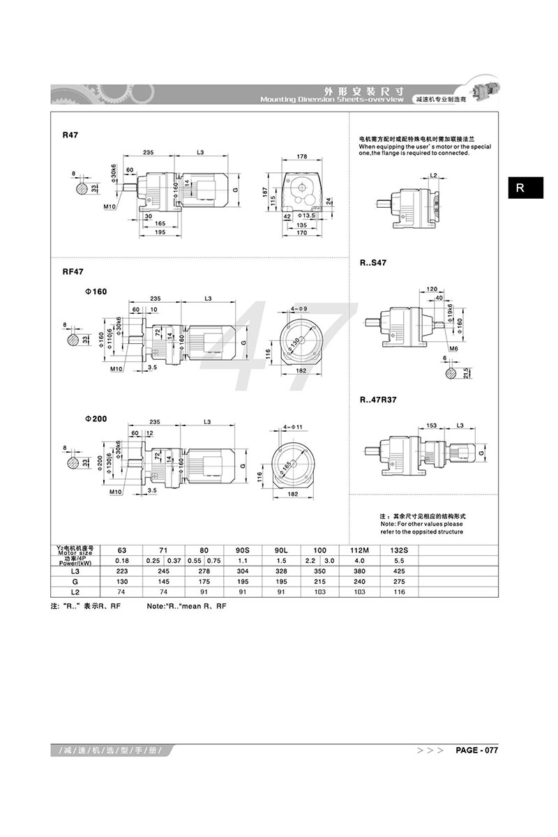
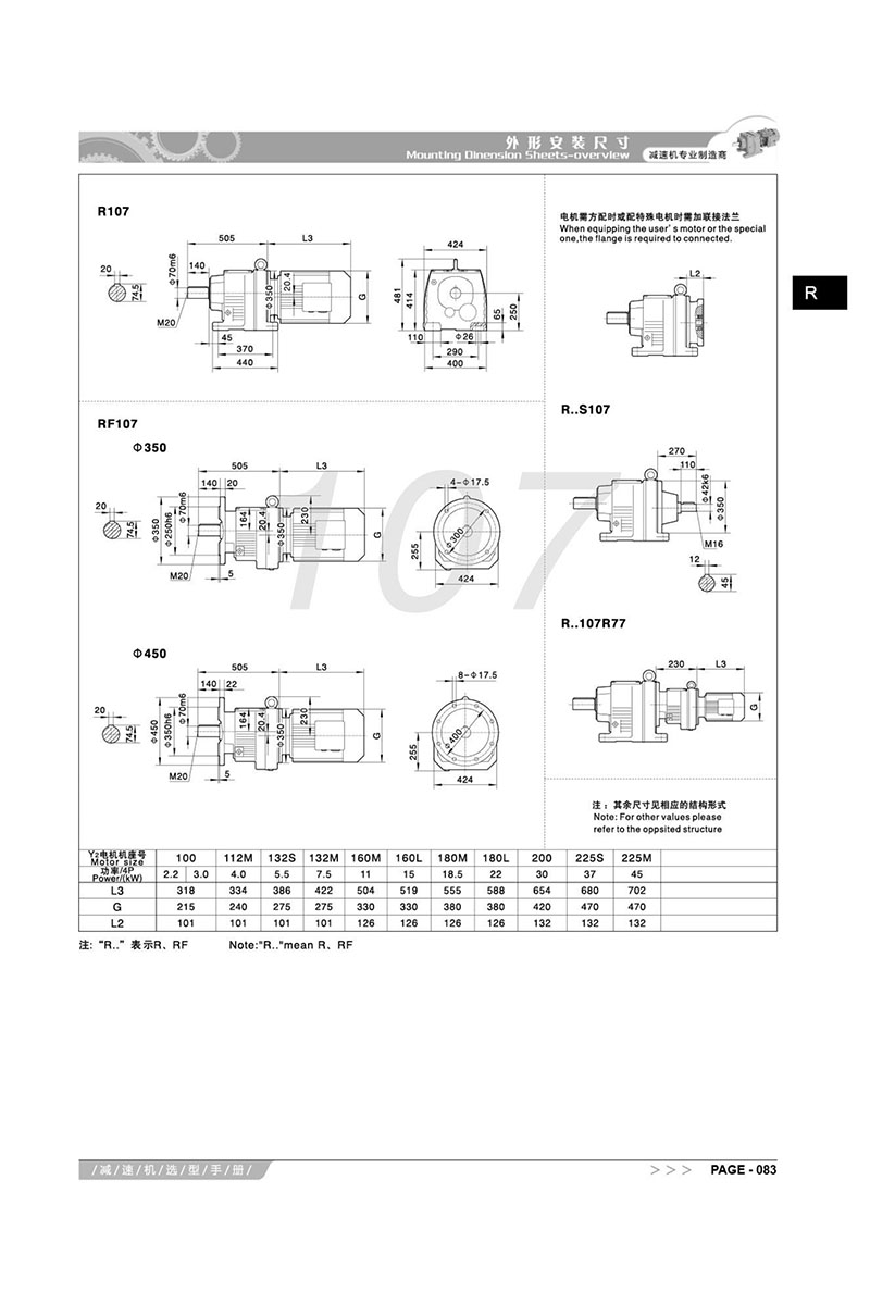
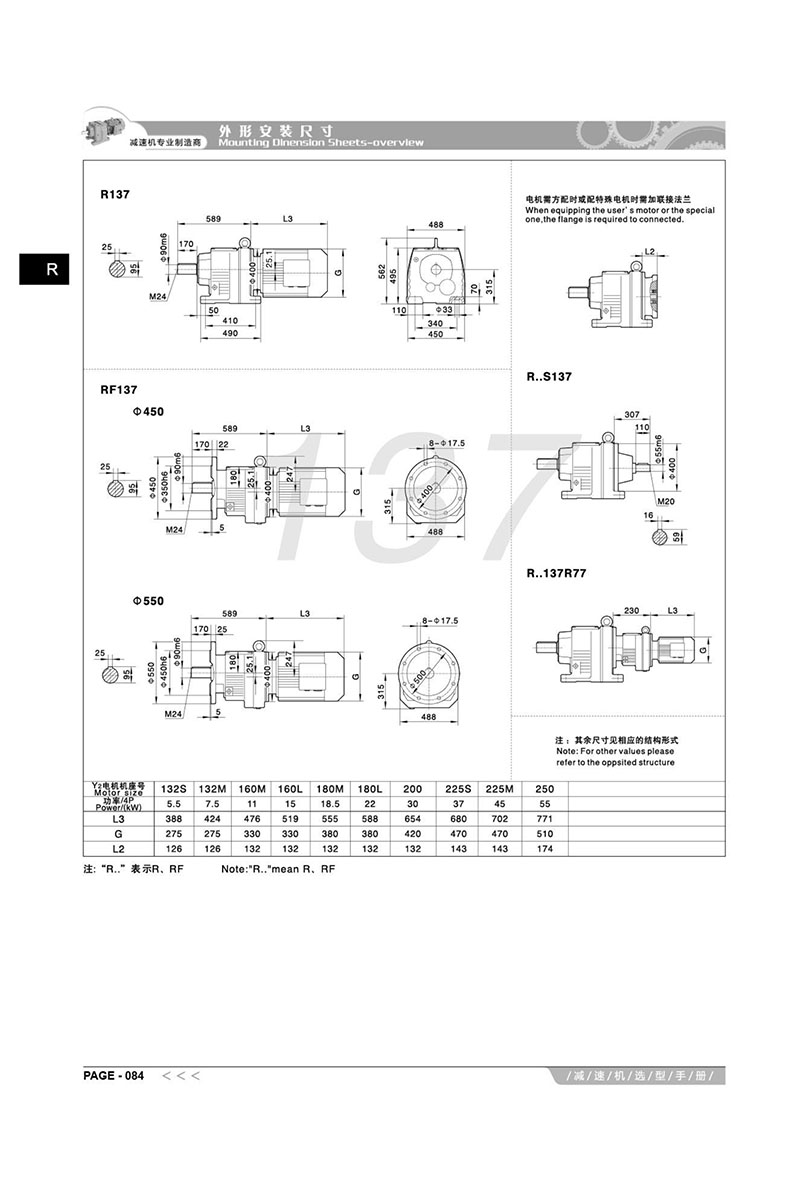
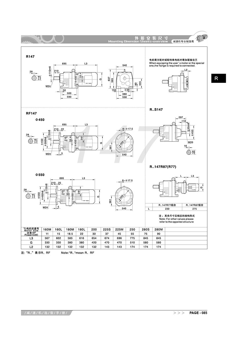
R系列斜齿轮硬齿面减速机
发布日期:2021-01-26 总浏览:
TAG推荐
1、硬齿面减速机节省空间,可靠耐用,承受过载能力高,功率可达132KW;
2、振动小,噪音低,能耗低,减速机效率高达95%以上;
3、R系列斜齿轮硬齿面减速机选用锻钢材料,钢性铸铁箱体,齿轮表面经过高频热处理;
4、经过加工,确保轴平行度和定位轴承要求,形成斜齿轮传动总成的减速机配置了各种类电机,保证了减速电机产品使用质量特性。
性能特点:
1、小偏置输出,结构紧凑,充分利用箱体空间,二级、三级在同一箱体内。
2、采用整体式铸造箱体,箱体结构刚度好,易于提高轴的强度和轴承寿命。
3、安装方式:底脚安装、法兰安装有大小法兰,易于选择。
4、实心轴输出,平均效率是二级96%、三级94%、R/R 组合平均效率85%。
5、专为搅拌设计的RM系列能承载较大的轴向力、径向力。




























































上一篇:RV双蜗轮减速器组合
下一篇:RV系列蜗轮蜗杆减速机


沪公网安备31012002006125号